2021-12-17 14:03:56 作者:华越国际 浏览次数:
【导读】
食物中混入气体使其具有柔软的质地,例如蛋糕。空气无处不在,其中占21%的氧气是人类赖以生存的基本条件,然而氧气却是食品的大敌。一方面氧气可以让细菌、真菌等腐败微生物繁殖,另一方面它还可以使油脂氧化产生“哈喇味”,使天然色素氧化变色,让一些营养素氧化失去营养价值。
为了对抗氧气,食品企业想到了抽真空的办法,真空吸塑包装在熟食、大米、茶叶等食品中很常见。但不是每种食品都适合抽真空,面包、蛋糕等蓬松的食品怕挤压,而袋装薯片、饼干这样的食品,如果抽真空,消费者拿到手时估计已碎成渣。和抽真空相反的加工方式就是充气,常用的是氮气、二氧化碳,或者是氮气、二氧化碳和氧气以一定比例调配的气体。其中氮气用得最多,大约占常用充气气体的!
空气中的食品添加剂
在食品工业中,氮气是作为食品添加剂使用的,类别属于加工助剂。虽然人们常常对食品添加剂“谈虎色变”,其实我们随便吸一口气,满满的都是食品添加剂。
氮气安全吗?
氮气可以排除空气,营造缺氧环境,抑制细菌、霉菌的生长,延长食品的保质期。同时它可以防止油脂、天然色素、微量营养素的氧化,保持食品原有的色香味,提高食品质量。
此外,氮气几乎不溶于水和油,食品对氮气基本无吸附,因此充氮气的包装不会掉。由于氮气无色无味,化学性质懒惰,不易和其他物质发生,因此安全性非常高。用氮气更环保,由于氮气无色无味,化学性质懒惰,不易和其他物质发生反应,因此安全性非常高。
用氮气更环保
啤酒怕氧气,氧化会使啤酒变色、变味,还影响口感。生产易拉罐啤酒时先充氮气,挤出空气,这样可以保持啤酒原有的口味,让啤酒的泡沫更柔和。以前食品企业用二氧化碳的比较多,现在氮气已经被逐步推广。
果蔬包装充氮气保鲜,可以保持果蔬的外观,延长货架期。烤肉、点心、面制品等有一定水分的食品,充氮包装可将保质期提高4倍以上。有些饮料也要用氮气,这不是为了防氧化,而是为了加压。比如塑料饮料瓶、铝质易拉罐(非碳酸型),堆放和运输过程中容易变形,充一点氮气(实际是滴一滴液氮然后封口)就可以让瓶身更结实。据说这能让包装材料的用量减少13,每年能节约很多塑料和金属,属于环保型技术。液氮的妙用
除了氮气,它的另一种形态一一液氮也有不少妙用。比如,液氮可以用来冷冻研磨香辛料,比如大蒜、肉桂等,避免摩擦生热导致香味流失。液氮也可以用于食品速冻,比如速冻海鲜,这样可以最大限度地保持口感和营养。液氮在冷链运输中的应用非常广泛,国外已经实践多年,可以与传统制冷方式媲美。在生物医学研究、食品检测等方面,液氮也发挥了重要作用。
充气过程的质量流量控制(举个“力”子)

巧克力食品生产充气过程的质量流量控制,质量流量控制器可以用于巧克力行业?
当然,充气巧克力因其独特的口感而越来越受欢迎。那么,巧克力通常是如何添加气体的呢?该过程涉及高性能的质量流量控制。当高压气体注入液体巧克力中充气时,就会形成气泡。使用的气体通常是N2或CO2。气体注入后,温度变化的液体巧克力被移动到模具中,然后降低压力,让巧克力冷却。通过调节气体体积,从而控制巧克力气泡大小,降低压力有助于这一过程。当巧克力冷却时,巧克力就会凝固,把气泡凝固在巧克力基质中。
生产过程是具有挑战性的。如今产品的复杂性、多样性以及防止浪费的需求对关键的生产过程提出了新的要求,减短转换时间和液体气体流量的精确测量和控制至关重要。配料的定量给料是备受重视的一块,传统的手动的方式是使用计量秤,其实还有另一种方法。
什么方法呢?Bronkhorst将通过客户应用案例为您展示:
食品行业小流量测量和控制:
案例分析;香精、香料等添加剂在巧克力生产中起着重要的作用。
食品之曝气应用以获得更柔和的质感,如蛋糕。
在饮料和啤酒中定量添加气体(二氧化碳)。
最近,Bronkhorst Nederland 提供了几个ES-FLOW超声波体积流量计来测量添加到主流的添加剂的量。通过使用这种超声波体积流量计,可以提高测量精度,从而提高制造过程的质量控制。Bronkhorst提供适用于食品、饮料和制药行业的低流速气体和液体流量计和流量控制器。我们的卫生液体流量计用于添加剂(香料、色素或维生素)的剂量和包装的灭菌(H2O2 剂量)。我们还提供用于食品曝气、包装灭菌或用于生物反应器的气体流量计。
Bronkhorst提供:
✓ 低流量测量和流量控制
✓ 最高精度,出色的可重复性
✓ 低表面粗糙度
✓ 提供全金属版本
✓ 易于清洁(食品安全)液体流量计(CIP / SIP)
✓ 3A 一致性
✓ 可追溯材料
解决方案
诉求
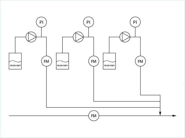
颜色、风味和酸度的不同流量来自三个独立的容器,并通过三个独立的小泵进入主流。这些泵中的每一个都由 PLC(可编程逻辑控制器)控制,主流作为主泵。
通过测量三种添加剂的用量,这些添加剂的消耗必须变得更有效率,而最终产品——最终成为糖果的混合物——的质量始终保持在高水平。
重点
高品质糖果产品
有效利用原材料(色素、酸和香料)
卫生设计,适用于食品应用
工艺解决方案
Bronkhorst 解决方案由三个 ES-FLOW 超声波流量计组成。每个设备测量颜色、味道和酸的流动。由于这些液体是高度浓缩的,因此只需添加少量。这些少量可以用超声波流量计测量,因为测量范围在 4 到 1500 ml/min 之间,精度为 +/- 1% Rd。ES-FLOW 仪器的整体性能和用户友好的操作是选择该设备的主要原因。

ES-FLOW 流量计使用超声波来测量液体的体积流量。它们安装在不锈钢外壳中,并有一个显示器作为显示和控制设备的一部分。在显示器的背面有一个泵或控制阀的接口。此外,可以通过带有内置 PID 控制的显示器来控制过程。与 Bronkhorst 设备一样,PROFIBUS、FLOW-BUS 或 Modbus 协议可用于数字通信。
天然色素和调味物质尤其昂贵,而这些物质的受控和有效使用可提高产品质量并节省原材料。使用超声波流量计提高了过程的质量控制。如果在制造过程的早期出现问题,那么质量差的问题只会在很晚的阶段才被发现。这意味着整批糖果必须被归类为“第二选择”。使用ES-FLOW 体积流量计的新方法, 可以在较早的阶段检测到质量差(如果有的话)。
根据要制作的糖果类型,着色剂、调味剂和酸的数量和类型会有所不同。对于一种糖果——例如红酒口香糖——整个批次的这些数量必须保持不变。然而,该系统非常灵活,它也可以用于不同类型的糖果——例如糖果。B. 绿葡萄酒口香糖 - 中间冲洗干净后即可使用。添加剂的数量在 PLC 中编程。
在当前过程中,超声波流量计用于测量并将测量值发送到PLC。该过程目前正在 Haas Mondomix 中标准化,因此ES-FLOW 设备作为标准选项集成到 Haas Mondomix 系统中,用于糖果生产。



关于品牌Bronkhorst
自 1981 年成立以来,Bronkhorst High-Tech 一直为过程工业,特别是(石油)化工、塑料、金属和玻璃工业提供质量流量和压力测量设备。